Direkt zum Inhalt

Auswahl eines Netzgeräts

Der erste Schritt bei der Auswahl eines Netzgeräts besteht darin, den Betriebspunkt Ihres Aufbaus festzulegen: Welche Spannungs- und Stromkombinationen werden benötigt? Basierend auf diesen Betriebspunkten kann ein geeignetes Netzgerät entsprechend seinem Ausgangsbereich ausgewählt werden. Eine einfache Möglichkeit, herauszufinden, welche Netzgerätemodelle an Ihrem gewünschten Betriebspunkt arbeiten können, ist das Selektor-Tool. Dort können Sie Spannungs- und Strom-Sollwerte eingeben, und die Ergebnisse zeigen, welche Modelle zu Ihren Anforderungen passen. Alternativ können Sie uns eine Nachricht senden. Wir helfen Ihnen gerne, die beste Lösung für Ihre Anwendung zu finden.

Ausgangsbereichstypen

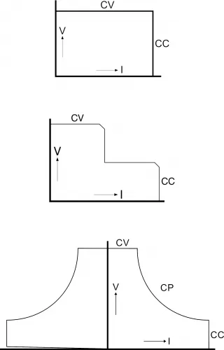
Ausgangsbereiche von Netzgeräten gibt es in verschiedenen Formen, darunter rechteckige, Auto-Ranging- und Konstantleistungs-Ausgangsbereiche.

Rechteckiger Ausgangsbereich

Der rechteckförmige Ausgangsbereich ist die einfachste Variante, bei der das Netzgerät von null Spannung und Strom bis zu seinen maximalen Nennwerten arbeiten kann. Dadurch ergibt sich im VI-Diagramm ein rechteckförmiger Bereich.
Alle unsere Netzgeräte sind für den dauerhaften Betrieb an den Grenzen ihres Arbeitsbereichs ausgelegt. Sie unterstützen außerdem den Betrieb bei niedriger Spannung und Strom, unabhängig von der Nennleistung des Netzgeräts.

Auto-Ranging-Ausgang

Der Begriff Auto-Ranging stammt aus Messgeräten, die über mehrere Messbereiche arbeiten. In ähnlicher Weise bieten unsere Auto-Ranging-Netzgeräte zwei Bereiche: einen Niederspannungs-/Hochstrom- und einen Hochspannungs-/Niedrigstrombereich, wodurch ein L-förmiges VI-Diagramm entsteht.
Der Übergang zwischen den Bereichen erfolgt automatisch und nahtlos. Modellnamen mit „AR“, wie das SM66-AR-110 aus der SM3300-Serie, verfügen über Auto-Ranging-Ausgang. Diese Netzgeräte verdoppeln den nutzbaren Ausgangsbereich im Vergleich zu einem rechteckigen Ausgang mit derselben Nennleistung.

Konstantleistungs-Ausgang

Konstantleistungs-Ausgangsbereiche haben eine gekrümmte Leistungskontur. Ein Netzgerät mit Konstantleistungs-Ausgang kann die volle Nennleistung über einen großen Spannungsbereich liefern. Von der maximalen Spannung bis zur minimalen, indem der Strom entsprechend erhöht wird, wenn die Spannung abnimmt, bis zur Strombegrenzung.

Bidirektionaler Betrieb

Die SM15K Netzgeräteserie ist nicht nur hocheffizient (bis zu 96%), sondern funktioniert auch als rückspeisende elektronische Last. Die Leistung wird ins Netz zurückgespeist, statt als Wärme zu dissipieren. Dies ermöglicht ultrakompakte Aufbauten, da ein einzelnes SM15K sowohl als Quelle als auch als Last eingesetzt werden kann. Hohe Effizienz sowohl beim Quellen als auch beim Senken reduziert den Bedarf an voluminösen Kühlsystemen. Intelligente Lüfterregelung verbessert zudem den Bedienkomfort, indem sie die Geräuschentwicklung minimiert.

Spezifikationen

Unser Netzgeräte-Portfolio reicht von 150 W bis 900 kW. Jedes Modell ist mit außergewöhnlichen Spezifikationen ausgestattet und spiegelt über 65 Jahre Erfahrung in der Leistungselektronik wider. Von kleinen bis zu großen Systemen erfüllen unsere Produkte durchgängig hohe Standards in Ausgangsleistung, dynamischem Verhalten, Effizienz, EMV und Bedienbarkeit. Diese Merkmale sind in den für jede Serie verfügbaren Datenblättern dokumentiert. Hervorragende Spezifikationen führen zu Instrumenten, die sich für Spitzenforschung und intensiven industriellen Einsatz eignen.

Integration

Alle unsere Netzgeräte lassen sich einfach in übergeordnete Systeme integrieren. Für Programmierung und Überwachung steht eine breite Palette an Schnittstellenoptionen zur Verfügung. Von standardmäßigem Ethernet oder analoger Steuerung bis hin zur Unterstützung fortschrittlicher industrieller Protokolle. Diese Flexibilität gilt für nahezu jedes Netzgerät in unserem Portfolio. Eine detaillierte Übersicht der unterstützten Schnittstellen finden Sie auf der Schnittstellenseite. Mehrere unserer Serien sind zudem TUVus-zertifiziert, was sowohl die Einhaltung von Vorschriften als auch die einfache Integration in zertifizierte Systeme unterstützt.

Modularität

Unsere Netzgeräte unterstützen Master/Slave-Parallel- und Serienschaltungen. Bei der SM15K-Serie wird dieses Konzept auf die Spitze getrieben: Bis zu 60 Geräte können parallel geschaltet werden und bilden ein einziges 900 kW Hochleistungssystem, während gleichzeitig eine für seine Größe unübertroffene dynamische Performance erhalten bleibt. Echte Modularität ermöglichen wir durch standardisierte Busbar-Kits, mit denen sich beliebig viele Geräte einfach zu Systemen mit unterschiedlichen Leistungsstufen verbinden lassen. Die Umkonfiguration eines Systems ist so einfach wie der Austausch der Busbar. Das ermöglicht Flexibilität, die eine langfristige Kapitalrendite unterstützt. Dieser modulare Ansatz gilt auch für Schnittstellen-Upgrades, die jederzeit hinzugefügt werden können.

DC Netzgeräte
Teaser image for products

DC Netzgeräte

Unsere programmierbaren DC-Netzgeräte gewährleisten zuverlässige, langlebige Leistung mit geringem Ripple, hohem Wirkungsgrad und schneller Reaktion auf Laständerungen. Entwickelt für den Labor- und Industrieeinsatz liefern sie stabile Leistung bei minimaler Geräuschentwicklung und minimalen Störungen. Entdecken Sie die Produktpalette, von bidirektionalen Hochleistungs-Netzgerätesystemen bis hin zu kompakten Tischgeräten.

Interfaces
Teaser image for interfaces

Schnittstellen

Erweitern Sie Steuerung und Integration mit unserer Auswahl an Netzgeräte-Schnittstellen. Von Analog und digitalem I/O bis hin zu Master/Slave-Konfigurationen und Simulationsoptionen ermöglichen diese Schnittstellen einen nahtlosen Betrieb in automatisierten Systemen, Testumgebungen und industriellen Anwendungen. Entdecken Sie die verfügbaren Optionen.

Anwendungen

Unsere DC-Netzgeräte werden weltweit in anspruchsvollen Umgebungen eingesetzt, in denen Präzision, Zuverlässigkeit und Leistung entscheidend sind. Wichtige Branchen und Anwendungsbereiche sind:

Automotive F&E und Produktion

Von der Prüfung von EV-Antriebssträngen bis zur ECU-Simulation und Batteriezylierung unterstützen unsere Netzgeräte sowohl Forschungslabore als auch automatisierte Produktionslinien. Dank schneller Dynamik und geringem Ausgangsripple sind sie ideal für die Prüfung empfindlicher Automobilelektronik.

Erneuerbare Energiesysteme

Ideal für Solarwechselrichter-Tests, Brennstoffzellenentwicklung und Validierung von Energiespeichern. Unsere Netzgeräte bieten bidirektionale Fähigkeiten und hohen Wirkungsgrad und eignen sich damit perfekt zur Simulation erneuerbarer Energiequellen und netzgekoppelter Systeme.

Luft- und Raumfahrt sowie Verteidigung

Unsere Geräte versorgen Avionik-Prüfstände, die Verifikation militärtauglicher Komponenten und Subsysteme von Raumfahrzeugen — und liefern die Präzision und Zuverlässigkeit, die Luft- und Raumfahrt- sowie Verteidigungsorganisationen benötigen.

Halbleiterfertigung

Eingesetzt in Plasmasystemen, Ionenstrahlprozessen, Waferinspektion und Lithografie liefern unsere rauscharme Netzgeräte die Stabilität und Genauigkeit, die in der Halbleiterfertigung entscheidend sind.

Test- und Messlabore

Unsere programmierbaren Netzgeräte werden häufig für Schaltungsprototyping, Gerätecharakterisierung und Dauertests eingesetzt. Ihre Vielseitigkeit in Konstantspannungs-, Konstantstrom- und Konstantleistungsmodi ermöglicht umfassende Tests unter realen Bedingungen.

Lassen Sie uns sicherstellen, dass Sie die richtige Lösung erhalten

Ob Sie genau wissen, was Sie benötigen, oder noch Ihre Optionen erkunden, wir sind für Sie da. Nutzen Sie das Selektor-Tool, um sofort Modelle zu finden, die zu Ihren Spannungs- und Stromanforderungen passen. Durchsuchen Sie unsere Datenblätter für detaillierte technische Spezifikationen oder kontaktieren Sie unsere Ingenieure für eine persönliche Beratung. Wir unterstützen Sie gerne ganz gleich, wie komplex Ihre Anwendung ist.

Selektor-Tool

Kontaktformular

Frage

Kontaktinformationen

Nachricht

Delta Elektronika

Vissersdijk 4
4301 ND Zierikzee
Niederlande

Kontakt & Support

Telefon: +31 111 413656
E-Mail: über das Kontaktformular
Newsletter: abonnieren

Vertriebsnetzwerk

Finden Sie einen autorisierten 
Vertriebspartner in Ihrer Region
Vertriebsnetzwerk